





Contact Us


Flow-Thru temperature sensors use either the Nanmac Right-Angle Ribbon Thermocouple or a Pt100 ohm RTD. The Right-Angle Ribbon Thermocouple utilizes a special ribbon element which eliminates conduction errors, typically caused byshallow immersion in the flowing ga or liquid within the pipeline. Additionally, this ribbon design also provides response times in the low milliseconds.
All Pt100 RTD devices are of sanitary design as the sensor is separated from the material within the pipeline by a 0.015 inch thick stainless steel diaphragm. Thermocouples requiring sanitary design are also available by adding the diaphragm to the thermocouple.
All units come standard w”ith junction flush to inner wall surface. If i• nction is to protrude into the stream, specify dimension “E” up to 114 inch.
Tolerance on “E” is 0.015 inch.
Example: D3-4-K-E —— 1|16

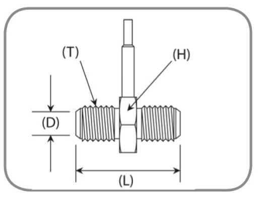
| Specifications | |||||
|---|---|---|---|---|---|
| Part No. | Tube Size (D) | Tube Size (T) | Hex (H) | Approximate Length (L) | Maximum Pressure |
| D3-4 D3-6 D3-8 D3-10 D3-12 D3-16 | 1/4 3/8 1/2 5/8 3/4 1 | 7/16 - 20 9/16 - 18 3/4 - 16 7/8 - 14 1-1/16 - 12 1-5/16 - 12 | 7/8 7/8 7/8 13/16 1-1/8 1-3/8 | 1.7 1.8 2.0 2.2 2.6 2.7 | 4,000 4,000 3,000 3,000 3,000 2,000 |
© 2025 Nanmac Corporation