





Contact Us


Oftentimes, it is desirable to measure the true temperature of flowing plastic in an extruder nozzle. This device will provide valuable information regarding the mixing characteristics of: plastic melt, efficiency of the screw, accurate temperature profile of the plastic melt, magnitude, and shape of the temperature profile across the stream.
Nanmac has developed two special thermocouples with low millisecond response times to measure the in-stream temperatures. One with a Fixed Immersion Tip and the other with an Adjustable Immersion Tip. Both are designed to minimize conduction errors and are available in thermocouple types E, J, K, N & T.
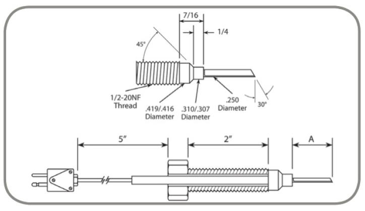
The Fixed Immersion Tip unit includes a gland nut and a thermowell. The sensing tip of the thermowell has a wedge shaped tip to minimize the shear effects. Therefore, the leading edge of the wedge must face up-stream (into the oncoming plastic). A peen mark is machined onto the thermocouple near the connector to indicate orientation for this unidirectional installation. Also, wrench flats are provided to hold the thermocouple in place while tightening the gland nut. Maximum service temperature and pressure rating of this unit is 750 degrees Fahrenheit and 20,000 psi respectively.
The Adjustable Immersion Tip unit in similar to the fixed unit; except, the immersion length is adjustable to any depth from flush on inner wall (to one inch immersion). Also, the sensing tip is omnidirectional instead of unidirectional and spherically shaped to minimize shear effects. On the connector end of this unit there are circular grooves machined into the shaft at 1/10 inch intervals. These grooves are for indicating the insertion depth of the sensing tip while the unit is installed. After installation and before plastic hardens/freezes you simply screw the thermowell in or out to the desired insertion depth. An internal O-ring provides a leak tight seal to 10,000 psi at melt temperatures of up to 600 degrees Fahrenheit. Adjustment

| Specifications | ||
|---|---|---|
| Part No. | Description | Dimension 'A' (Inches) |
| C8A-1 C8A-2 C8A-3 * C8A-4 | Fixed Fixed Fixed Adjustable | 1/2 3/4 1 1/4 - 1-1/4 |
© 2025 Nanmac Corporation