





Contact Us


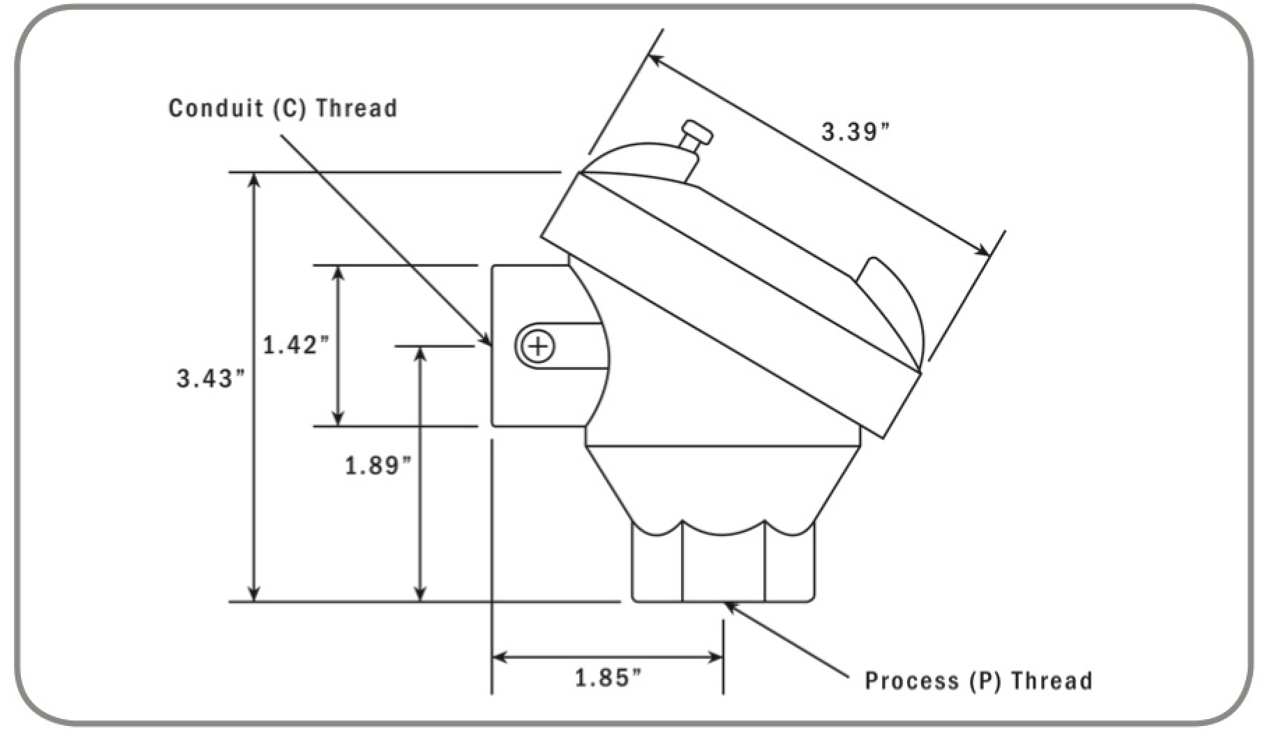
Weatherproof (WP) heads are rugged cast aluminum or cast iron screw cover units that are available in various NPT probe connection sizes and terminal clock to fit your application.

| Specifications | ||
|---|---|---|
| Part No. | Material | Thread Size (P x C) |
| F7-12-1212-CI F7-12-1234-CI F7-12-3434-CI | Cast Iron | 1/2’” x 1/2’” NPT 1/2' x 3/4” NPT 3/4’” x 3/4’” NPT |
| FY-12-1212-AL F7-12-1234-AL FY-12-3434-AL | Aluminum | 1/2” x 1/2” NPT 1/2” x 3/4” NPT 3/4” x 3/4” NPT |
© 2025 Nanmac Corporation